المحولات المحتملة PT
محول محتمل أحادي الطور بقدرة 13.8 كيلو فولت في المحطة الفرعية
  • محول محتمل أحادي الطور بقدرة 13.8 كيلو فولت في المحطة الفرعيةمحول محتمل أحادي الطور بقدرة 13.8 كيلو فولت في المحطة الفرعية

محول محتمل أحادي الطور بقدرة 13.8 كيلو فولت في المحطة الفرعية

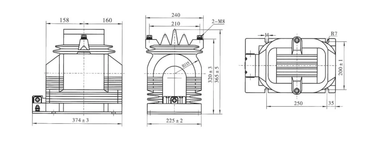
لإنتاج محول محتمل موثوق به أحادي الطور بقدرة 13.8 كيلو فولت في محطة فرعية، تتبنى شركة Wenzhou XiFa Electric Power Equipment Co., Ltd الفولاذ الكهربائي الممتاز CRGO باعتباره المادة الأساسية الأساسية لتقليل قيمة الخسارة وتحسين فئة الدقة، والأسلاك النحاسية المطلية بالمينا عالية القوة باعتبارها المادة الرئيسية للملف لضمان نسبة الدوران وعزل الدوران من خلال اللف الدقيق. أكثر من ذلك، كل محول محتمل أحادي الطور بقدرة 13.8 كيلو فولت في المحطة الفرعية يعتمد عملية إنتاج صب فراغ راتنجات الإيبوكسي لصنع هيكل صلب شامل ليس من السهل امتصاص الرطوبة، وهو مناسب للبيئات الحارة والرطبة والمتربة.

ميزات المنتج:

تم تصميم محول جهد أحادي الطور بقدرة 13.8 كيلو فولت في المحطة الفرعية لخفض الجهد الأساسي البالغ 13.8 كيلو فولت إلى جهد ثانوي قياسي، مثل 100 أو 110 فولت. يتم بعد ذلك تزويد الجهد المنخفض إلى الملفات المتوازية لقياس الأجهزة والمرحلات الواقية، مما يتيح إجراء قياسات الجهد الأولي بشكل غير مباشر باستخدام أدوات الجهد المنخفض. يعمل هذا النهج على تبسيط تصميم الأجهزة وتوفير التكلفة وضمان سلامة كل من المعدات وموظفي التشغيل.


مبدأ العمل لمحول جهد أحادي الطور 13.8 كيلو فولت هو نفس محول توزيع الطاقة، حيث يتم تحديد نسبة التحويل من خلال عدد اللفات في الملفين الأولي والثانوي. فزيادة عدد اللفات الثانوية يقلل النسبة، بينما زيادة عدد اللفات الأولية يرفعها. من المهم أن نلاحظ أنه لا ينبغي تحت أي ظرف من الظروف أن تكون الدائرة الثانوية لمحول جهد أحادي الطور بقدرة 13.8 كيلو فولت قصيرة الدائرة أثناء التشغيل.

13 8 Kv Single Phase Potential Transformer In Substation

المواصفات الفنية:

يكتب نسبة الجهد المقنن (كيلو فولت) فئة الدقة فئة الدقة والإخراج المقدر cosΦ=0.8 ماكس. الإخراج (VA)
0.2 0.5 1 6(ع)
JDZ11-15 (15/√3)/(0.1/√3)/(0.1/3) 0.2/6P 0.5/6P 1/6P 30 80 150 100 400
JDZ11-20 (20/√3)/(0.1/√3)/(0.1/3)
JDZ11-15 (15/√3)/(0.1/√3)/(0.1/√3)/(0.1/3) 0.2/0.2/6P 0.2/0.5/6P 15 20 لا يوجد 100 2*200
JDZX11-20 (20/√3)/(0.1/√3)/(0.1/√3)/(0.1/3)

13 8 Kv Single Phase Potential Transformer In Substation

الأسئلة الشائعة حول المنتج:

س: كيف يختلف محول الجهد أحادي الطور 13.8 كيلو فولت عن محول الطاقة 13.8 كيلو فولت؟

ج: في حين أن كلاهما عبارة عن أجهزة تحويل الجهد، فقد تم تصميم محول جهد أحادي الطور بقدرة 13.8 كيلو فولت للقياس والحماية بدلاً من نقل الطاقة. حملها المقدر صغير نسبيًا، ويتم التعبير عنه عادةً بـ VA، في حين تتعامل محولات الطاقة مع الأحمال بقيمة أكبر والتي يتم حسابها بـ kVA أو MVA.


س: ما هي طرق العزل المستخدمة في محول جهد أحادي الطور 13.8 كيلو فولت؟

ج: معظمالمحولات المحتملةعند مستوى الجهد هذا، استخدم العزل المصبوب من راتنجات الإيبوكسي للخدمة الداخلية أو أغلفة البورسلين/السيليكون للتركيبات الخارجية. تستخدم بعض التصميمات العزل المغمور بالزيت لتحقيق عمر خدمة ممتد وقدرة حرارية أعلى.


س: كيف يجب توصيل محول جهد أحادي الطور بقدرة 13.8 كيلو فولت في محطة فرعية؟

ج: بالنسبة لقياس الطور إلى الأرض، يتم توصيل PT الأساسي بين طور واحد والأرض. في نظام ثلاثي الطور، يمكن استخدام مجموعة من وحدات PT أحادية الطور أو وحدة PT ثلاثية الطور لقياس الفولتية من خط إلى خط ومن خط إلى الأرض.


س: ما هي المشكلات التي يمكن أن تنشأ مع المحولات المحتملة أحادية الطور بقدرة 13.8 كيلو فولت في المحطات الفرعية؟

ج: تشمل المشكلات الشائعة تدهور العزل، والرنين الحديدي في ظل ظروف تبديل معينة، وارتفاع درجة الحرارة بسبب التحميل الزائد، وظروف فتح الدائرة الثانوية التي قد تسبب فولتية عالية بشكل خطير.



الكلمات الساخنة: 13.8 كيلو فولت محول محتمل أحادي الطور في مورد المحطات الفرعية، محولات محتملة للمحطات الفرعية بالجملة
إرسال استفسار
معلومات الاتصال
  • عنوان

    رقم 391، طريق جينغكي، منطقة يانبان الصناعية، مدينة يويهتشينغ، مقاطعة تشجيانغ، الصين

  • بريد إلكتروني

    info@xifaele.com

للحصول على الاقتباس الخاص بك في اسرع وقت ممكن

XiFa - مورد المعدات الكهربائية الموثوق به
X
نحن نستخدم ملفات تعريف الارتباط لنقدم لك تجربة تصفح أفضل، وتحليل حركة مرور الموقع، وتخصيص المحتوى. باستخدام هذا الموقع، فإنك توافق على استخدامنا لملفات تعريف الارتباط. سياسة الخصوصية
يرفض يقبل